PLC wiring method analysis
Mastering the correct and standardized external wiring of the PLC is one of the basic skills of the PLC application personnel. The external wiring of PLC mainly has working power line, grounding line, input terminal wiring and output terminal wiring.
1. The working power supply wiring of the PLC should be connected to the corresponding power supply according to the type of working power (AC or DC) and voltage level required by the PLC. Pay attention to the positive and negative poles or the live and neutral lines.
2. The grounding wire of the PLC. The grounding wire of the PLC should use a yellow-green two-color line of not less than 1.25mm and be grounded separately.
3. Input wiring. PLC input terminal button, travel switch, relay, sensor, etc.
Components such as buttons, relay contacts, and stroke switches, such as passive contacts (also called dry contacts) and two-wire sensors, etc., can be connected according to the following figure when wiring.Here, the common terminals 1M and 2M are connected to the negative pole M of the DC power supply, and the two wires drawn from the external components are respectively connected to the PLC input terminal and L+, and the like PLC needs to provide power to the PLC to work, and also pay attention to the polarity. Pick up.

(2)When wiring the three-wire sensor, consider the "+" and "-" poles of the power supply. The brown wire is connected to the positive pole (L+), the blue wire is connected to the negative pole (M), and the black wire is connected to the load (the input terminal of the PLC).At this time, it should be noted that the common end 1M, 2M, etc. are connected to which end of the power supply. If it is a PNP type sensor, the common end is connected to M. If it is an NPN type sensor, the common end is connected to L+.


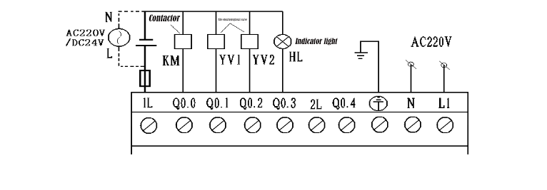
4. Output terminal wiring.
The output of the PLC can directly drive components such as contactors, relays, solenoid valves, indicator lights, etc., which require an external power supply for driving.The type of power supply depends on the type of PLC output, the transistor type (DC) is DC output, and the relay (Relay) is also AC/DC output.Transistor type output, power supply can only use DC power supply, relay type output can use either DC power supply or AC power supply.

Guangcheng Technology Co., Ltd. provides you with the best quality service.
1. The working power supply wiring of the PLC should be connected to the corresponding power supply according to the type of working power (AC or DC) and voltage level required by the PLC. Pay attention to the positive and negative poles or the live and neutral lines.
2. The grounding wire of the PLC. The grounding wire of the PLC should use a yellow-green two-color line of not less than 1.25mm and be grounded separately.
3. Input wiring. PLC input terminal button, travel switch, relay, sensor, etc.
Components such as buttons, relay contacts, and stroke switches, such as passive contacts (also called dry contacts) and two-wire sensors, etc., can be connected according to the following figure when wiring.Here, the common terminals 1M and 2M are connected to the negative pole M of the DC power supply, and the two wires drawn from the external components are respectively connected to the PLC input terminal and L+, and the like PLC needs to provide power to the PLC to work, and also pay attention to the polarity. Pick up.

(2)When wiring the three-wire sensor, consider the "+" and "-" poles of the power supply. The brown wire is connected to the positive pole (L+), the blue wire is connected to the negative pole (M), and the black wire is connected to the load (the input terminal of the PLC).At this time, it should be noted that the common end 1M, 2M, etc. are connected to which end of the power supply. If it is a PNP type sensor, the common end is connected to M. If it is an NPN type sensor, the common end is connected to L+.


4. Output terminal wiring.
The output of the PLC can directly drive components such as contactors, relays, solenoid valves, indicator lights, etc., which require an external power supply for driving.The type of power supply depends on the type of PLC output, the transistor type (DC) is DC output, and the relay (Relay) is also AC/DC output.Transistor type output, power supply can only use DC power supply, relay type output can use either DC power supply or AC power supply.

Guangcheng Technology Co., Ltd. provides you with the best quality service.





