GCAN-6057 CANopen IO耦合器
- 品牌:
- GCAN广成科技
- 型号:
- GCAN-6057
- 应用:
- GCAN-6057 CANopen远程IO模块是我公司自主研发的高性能通用型总线模块,基于CANopen总线设计,能有效为用户节约成本、简化配线并提升系统可靠性。该模块内置8路DI与8路DO,可实现数字量输入信号的采集与数字量信号的输出,通过控制开关,完成远程开关设备与CANopen网络的连接,从而构成CANopen网络中数据量信号采集与输出的控制节点。
-

1功能简介
1.1功能概述
GCAN-6057 CANopen远程IO模块是我公司自主研发的高性能通用型总线模块,基于CANopen总线设计,能有效为用户节约成本、简化配线并提升系统可靠性。该模块内置8路DI与8路DO,可实现数字量输入信号的采集与数字量信号的输出,通过控制开关,完成远程开关设备与CANopen网络的连接,从而构成CANopen网络中数据量信号采集与输出的控制节点。
GCAN-6057模块防护等级达IP67,可适应多尘、潮湿等复杂环境;其电源及CAN总线接口集成隔离保护模块,能避免瞬间过压过流对模块造成损坏,保障运行稳定性。此外,模块采用DIN导轨固定方式,便于快速集成至各类控制柜中,提升系统搭建效率。
1.2性能特点
(1)CAN-bus支持CAN2.0A和CAN2.0B帧格式,符合ISO/DIS 11898规范;
(2)CAN-bus通讯波特率在10Kbps~1Mbps之间任意可编程;
(3)CAN-bus接口采用电气隔离,隔离模块绝缘电压:DC 1500V;
(4)电源采用24V DC(-15%/+20%);
(5)P型数字量输入通道数:8路;
(6)数字量输入ON信号:电压≥9V DC;输入OFF信号:电压≤5V DC;
(7)P型数字量输出通道数:8路;
(8)数字量输出电压为模块的工作电压24V,输出电流最大值为500mA(单通道);300mA(通道同时输出);
(9)EMC抗干扰通道支持:模块供电通道、CAN通道;
(10)模块供电通道:静电接触放电±4KV,静电空气放电±8KV,电快速瞬变脉冲群±2KV,雷击(浪涌)±1KV;
(11)CAN通道:1500VDC电气隔离,静电接触放电±8KV,电快速瞬变脉冲群±2KV,雷击(浪涌)±4KV;
(12)使用拨码开关配置模块波特率;(13)防护等级:IP67;
(14)工作温度范围:-40℃~+85℃;
(15)尺寸:长160mm*宽57mm*高22.5mm。
1.3典型应用
(1)工业现场网络数据监控;
(2)煤矿、油井远程通讯;
(3)CAN教学应用远程通讯;
(4)CAN工业自动化控制系统;
(5)智能楼宇控制数据广播系统等CAN-bus应用系统。2 设备安装
本章节将详细说明GCAN-6057 CANopen远程IO模块的安装方法、接线方法、指示灯的含义与接口的含义。
2.1设备外观及尺寸
GCAN-6057外观如图2.1所示,(长)160mm*(宽)57mm*(高)22.5mm。如图所示。

图2.1 GCAN-6057模块外形尺寸图
2.2接口定义及功能
GCAN-6057模块集成1路CAN总线(2个CAN接口),2组电源接口(电源内部已短接,只需接1组即可),8组DI接口,8组DO接口。GCAN-6057模块的接口位置如图2.2所示,接口定义如表所示。
GCAN-6057模块自带插头及线缆,线缆颜色详见下表:

图2.2 GCAN-6057各接口位置

表2.1电源+CAN接口定义
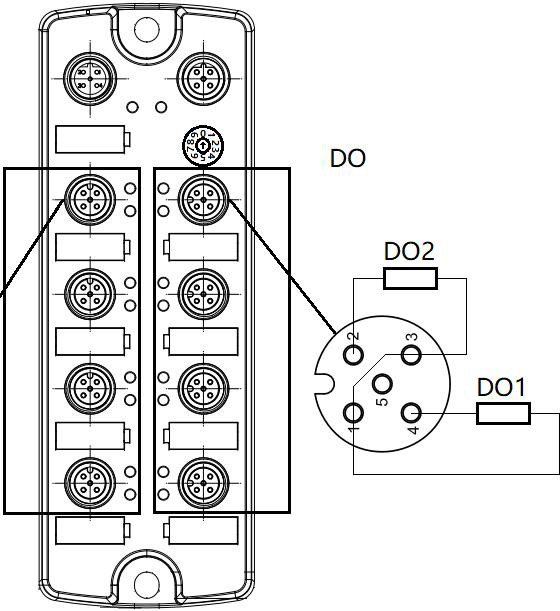
2.2.1 DO接口定义及接线方法
GCAN-6057的主控模块IO含有左右两排端子排,右侧端子排为DO端子排(每一个DO插头的引脚1和3内部已短接),如图所示。各个端子对应的序号及其含义如表2.2所示。

表2.2 GCAN-6057 CANopen模块DO端子定义
P型输出接线如图所示:

图2.3 GCAN-6057 DO接线图
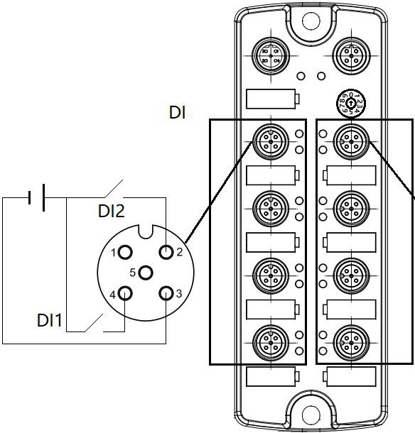
2.2.2DI接口定义及接线方法
GCAN-6057的主控模块IO含有左右两排端子排,左侧端子排为DI端子排,如图所示。各个端子对应的序号及其含义如表2.3所示。

表2.3 GCAN-6057 CANopen模块DI端子定义
P型输入接线如图所示:

图2.4 GCAN-6057 DI接线图
2.3系统状态指示灯
GCAN-6057 CANopen远程IO模块有两组指示灯,分别为系统状态指示灯和DAT指示灯。

图2.5 GCAN-6057指示灯状态

表2.4 GCAN-6057指示灯状态

图2.6 GCAN-6057 CANopen IO指示灯状态
IO指示灯用来指示设备IO的运行状态。

表2.5 GCAN-6057 DI指示灯状态

表2.6 GCAN-6057 DO指示灯状态
3 设备使用
3.1电源连接
GCAN-6057模块支持工业现场常见的+9-30V DC直流电源。为保证模块可靠工作,建议您使用+12V或+24V的DC直流稳压电源。
GCAN-6057模块电源提供反接保护,可防止用户因电源接线错误损坏模块。
3.2与CAN-bus连接
GCAN-6057模块接入CAN总线连接方式为将CAN_H连CAN_H,CAN_L连CAN_L即可建立通信。
CAN-bus网络采用直线拓扑结构,总线最远的2个终端需要安装120Ω的终端电阻;如果节点数目大于2,中间节点不需要安装120Ω的终端电阻。对于分支连接,其长度不应超过3米。CAN-bus总线的连接如图3.1所示。

图3.1 CAN-bus网络的拓扑结构
请注意:CAN-bus电缆可以使用普通双绞线、屏蔽双绞线。理论最大通信距离主要取决于总线波特率,最大总线长度和波特率关系详见表3.1。若通讯距离超过1km,应保证线的截面积大于Φ1.0mm2,具体规格应根据距离而定,常规是随距离的加长而适当加大。

表3.1波特率与最大总线长度参照表
3.3CAN总线终端电阻
为了增强CAN通讯的可靠性,消除CAN总线终端信号反射干扰,CAN总线网络最远的两个端点通常要加入终端匹配电阻,如图3.2所示。终端匹配电阻的值由传输电缆的特性阻抗所决定。例如双绞线的特性阻抗为120Ω,则总线上的两个端点也应集成120Ω终端电阻。如果网络上其他节点使用不同的收发器,则终端电阻须另外计算。

图3.2 GCAN-6057与其他CAN节点设备连接
请注意:GCAN-6057模块内部未集成120Ω终端电阻。如果节点数目大于2,中间节点不需要安装120Ω的终端电阻。需要使用时,将电阻两端分别接入CAN_H、CAN_L即可,如图3.2所示。
4 配置说明
用户可使用模块上方的拨码开关自行设定GCAN-6057模块的参数,以满足实际应用场合的需要。GCAN-6057模块的配置,模块波特率。
请注意:通过拨码开关改变GCAN-6057模块的参数之后,需要重新对模块上电之后,新的参数才会生效。
4.1CAN波特率配置
波特率与开关设置对应值如下表4.1所示。GCAN-6057模块拨码开关“0”到“7”为波特率设置开关;“9”为复位按键,为调试接口,请不要拨动。

图4.1 GCAN-6057模块拨码开关

表4.1 CAN波特率配置说明
5 通讯报文格式
本章将使用广成科技USBCAN-II Pro模块及GCANTools软件可以进行CAN总线数据的接收与发送。软件附带的CANopen主站功能可以帮助调试CANopen从站,非常的方便实用。
使用广成科技的USB必威betway手机官网 可模拟CAN总线通信设备,进行GCAN-6057模块的通讯测试。USB必威betway手机官网 是一种直观的CAN总线调试分析工具,使用该设备可以通过电脑监控、模拟CAN数据收发,是从事CAN总线行业的工程师必备的工具。欢迎您可以通过本手册最后一页的联系方式购买。
5.1节点状态
GCAN-6057模块满足标准CANopen CiA 301协议,是标准的CANopen从站设备。GCAN-6057启动后将主动发出一帧数据给主站,帧ID为0x700+Node ID。
例如:通过拨码开关设置GCAN-6057的Node ID为1(以下节点号均为1),则USBCAN-II Pro作为主站设备可接收到一条节点状态数据,帧ID为0x701,帧数据为0x7F。如图5.1所示,使用GCANTools软件可以收到这条数据。
启动数据中,帧数据的第一个字节为节点状态值(Node state values)。当该值为0x04时,说明节点处于停止状态;当该值为0x05时,说明节点处于操作状态;当该值为0x7F时,说明节点处于预操作状态。


图5.1启动命令监控界面
GCAN-6057模块接收由主站发出的操作指令,帧ID为0x000,DLC为2,帧数据第一个字节为命令符,第二个字节为节点号(00则为全部节点)。
例如:GCAN-6057的Node ID为1,命令GCAN-6057为进入操作状态(01),则NMT命令帧ID为0x000,帧数据为0x01,0x01。该命令也可由GCANTools软件的CANopenMaster插件发出。NMT的详细指令可参考附录B.4 CANopen通信。


图5.2 NMT命令发送界面
使用GCANTools软件命令GCAN-6057进入操作状态的步骤是:①将从站节点号填入ID后面的文本框中,②点击添加从站按钮,③打开节点左侧的+号,并点击“NMT”,④选择“Start Remote Node”(默认),点击下方的“NMT”按钮。如图5.3所示,发送后可在GCANTools监控界面中查看到NMT命令。
接收到NMT指令之后,GCAN-6057将开始广播PDO数据,并发出帧ID为0x701,帧数据为0x05的心跳指令,说明GCAN-6057已进入操作状态,自动接收输入DI状态,帧ID为0x180+节点号(Node ID),数据长度(DLC)为2。

图5.3 NMT命令监控界面
5.2控制输出
GCAN-6057模块在接收RPDO数据时,需保证帧ID为0x200+节点号(Node ID),数据长度为1字节,该字节用于设置第0到7输出通道的状态,其中输出通道7处于高位,输出通道0处于低位。
例如,GCAN-6057模块节点号设为1。需设置通道4和通道0状态为1,设置其他状态均为0,则需要发送的CAN总线DO状态数据为11。需要发送给GCAN-6057的帧ID为0x201,数据长度(DLC)为1,帧数据为0x11。


5.3反馈输入+反馈输出
GCAN-6057模块发出的TPDO数据帧ID为0x180+节点号(Node ID),数据长度为2字节,帧数据第1个字节即为该模块数字量输入状态,帧数据第2个字节为该模块数字量输出状态。
1)反馈的输入状态由第1个字节来表示,该字节用于反馈第0到7输入通道的状态,其中输入通道7处于高位,输入通道0处于低位。
例如,GCAN-6057模块节点号设为1。输入通道6和输入通道2状态为1,其他状态均为0。则反馈的帧ID为0x181,数据长度(DLC)为2,第1个字节,反馈DI状态的帧数据为0x44。

2)反馈的输出状态由第2个字节来表示,该字节用于反馈第0到7输出通道的状态,其中输出通道7处于高位,输出通道0处于低位。
若通过5.3章节设置输出通道4和输出通道0状态为1,其他状态均为0(控制输出方法详见5.3章)。则反馈的帧ID为0x181,数据长度(DLC)为2,第2个字节,反馈DO状态的帧数据为0x11。


6 技术规格

- (1)CAN-bus支持CAN2.0A和CAN2.0B帧格式,符合ISO/DIS 11898规范;
(2)CAN-bus通讯波特率在10Kbps~1Mbps之间任意可编程;
(3)CAN-bus接口采用电气隔离,隔离模块绝缘电压:DC 1500V;
(4)电源采用24V DC(-15%/+20%);
(5)P型数字量输入通道数:8路;
(6)数字量输入ON信号:电压≥9V DC;输入OFF信号:电压≤5V DC;
(7)P型数字量输出通道数:8路;
(8)数字量输出电压为模块的工作电压24V,输出电流最大值为500mA(单通道);300mA(通道同时输出);
(9)EMC抗干扰通道支持:模块供电通道、CAN通道;
(10)模块供电通道:静电接触放电±4KV,静电空气放电±8KV,电快速瞬变脉冲群±2KV,雷击(浪涌)±1KV;
(11)CAN通道:1500VDC电气隔离,静电接触放电±8KV,电快速瞬变脉冲群±2KV,雷击(浪涌)±4KV;
(12)使用拨码开关配置模块波特率;(13)防护等级:IP67;
(14)工作温度范围:-40℃~+85℃;
(15)尺寸:长160mm*宽57mm*高22.5mm。 - GCAN-PLC产品功能及应用视频:
OpenPCS软件编程界面及工作窗口简介
OpenPCS软件新建工程项目的方法
GCAN-PLC结构及接线方法
使用GCAN-PLC控制多个步进电机实现控制三轴运动平台
GCAN-PLC通过CANopen协议控制多个伺服电机实现基本运动控制
GCAN-PLC例程视频:
PLC跑马灯实验及输入输出例程
CAN收发数据例程(ST)
OpenPCS软件CAN及CANopen通讯例程
GCAN-PLC,Modbus主+Modbus从站例程(ST)
GCAN-PLC编程实例视频:
GCAN-PLC的CAN总线例程介绍及编程实例
GCAN-PLC的串口通信例程介绍及Modbus-RTU协议编程实例
-
1、一体式PLC控制器系列
GCAN-PLC-200一体式可编程逻辑控制器
GCAN-PLC-210一体式可编程逻辑控制器
GCAN-PLC-220一体式可编程逻辑控制器
GCAN-PLC-230一体式可编程逻辑控制器
GCAN-PLC-240一体式可编程逻辑控制器
GCAN-PLC-310一体式可编程逻辑控制器
GCAN-PLC-324系列一体式可编程逻辑控制器
GCAN-PLC-326系列一体式可编程逻辑控制器
2、组合式PLC控制器系列
GCAN-PLC-301/302插片式可编程逻辑控制器
GCAN-PLC-320/321/322插片式可编程逻辑控制器
GCAN-PLC-325插片式可编程逻辑控制器
GCAN-PLC-400插片式可编程逻辑控制器
GCAN-PLC-425插片式ethercat通讯可编程逻辑控制器
GCAN-PLC-430插片式ethercat通讯可编程逻辑控制器
GCAN-PLC-510插片式可编程逻辑控制器
GCAN-PLC-511插片式可编程逻辑控制器
GCAN-PLC-521插片式可编程逻辑控制器
GCAN-PLC-522插片式可编程逻辑控制器
GCAN-PLC-530插片式ethercat通讯可编程逻辑控制器
GCAN-PLC-530C插片式ethercat通讯可编程逻辑控制器
GCAN-PLC-535插片式ethercat通讯可编程逻辑控制器
3、PLC开发板
GCAN-PLCcore-M7 PLC核心开发板
4、一体式总线IO耦合器
GCAN-4032 分布式CANopen远程IO
GCAN-4038 8路模拟量输入CANopen IO耦合器
GCAN-4048 8路热电偶输入CANopen IO耦合器
GCAN-4055 8路数字量输入8路数字量输出CANopen IO耦合器
GCAN-4056 8路数字量输入8路数字量输出CANopen IO耦合器
GCAN-4057 8路数字量输入8路数字量输出CANopen IO耦合器
GCAN-4068 8路4-20mA电流输出CANopen IO耦合器
GCAN-4128 4路数字量输入4路数字量输出CANopen IO耦合器
GCAN-5032 分布式EtherCAT远程IO
GCAN-6057 8路数字量输入8路数字量输出CANopen IO耦合器
5、组合式总线IO耦合器
GCAN-8000插片式CANopen IO耦合器
GCAN-8001组合式CANopen IO耦合器
GCAN-8100插片式modbus IO耦合器
GCAN-8101组合式Modbus IO耦合器
GCAN-8200插片式ethercat IO耦合器
GCAN-8201插片式ethercat IO耦合器
GCAN-8300插片式profinet IO耦合器
6、插片式IO扩展模块
GC-1008 8路PNP数字量输入IO模块
GC-1016 16路PNP数字量输入IO模块
GC-1018 8路NPN数字量输入IO模块
GC-1502 2路计数器输入IO模块
GC-1602 2通道AB相计数模块
GC-2008 8路PNP数字量输出IO模块
GC-2016 16路PNP数字量输出IO模块
GC-2018 8路NPN数字量输出IO模块
GC-2204 4路继电器输出IO模块
GC-2214 4路继电器输出IO模块
GC-2302 2路PWM脉冲输出IO模块
GC-3604 4路-5V-+5V电压输入IO模块
GC-3624 4路-10V-+10V电压输入IO模块
GC-3644 4路0-20mA电流输入IO模块
GC-3654 4路4-20mA电流输入IO模块
GC-3664 4路0-+5V电压输入IO模块
GC-3674 4路0-+10V电压输入IO模块
GC-3804 4路PT100温度输入IO模块
GC-3814 4路PT1000温度输入IO模块
GC-3822 2路PT100温度输入IO模块
GC-3832 2路PT1000温度输入IO模块
GC-3844 4路K型热电偶输入IO模块
GC-3854 4路S型热电偶输入IO模块
GC-3864 4路T型热电偶输入IO模块
GC-3874 4路J型热电偶输入IO模块
GC-4602 2路-5V-+5V电压输出IO模块
GC-4622 2路-10V-+10V电压输出IO模块
GC-4642 2路0-20mA电流输出IO模块
GC-4652 2路4-20mA电流输出IO模块
GC-4662 2路0-+5V电压输出IO模块
GC-4672 2路0-+10V电压输出IO模块
GC-4674 4路0-+10V电压输出IO模块
GC-4684 4路0-+10V电压输出IO模块
GC-6101 RS232 485通讯模块
GC-6221 4G通讯模块
GC-6501 WIFI通讯模块 




