
表2.2 GCAN-226-N电源及CAN1接口定义
3.设备使用
GCAN-226-N模块集成两路CAN总线,用于连接CAN总线收尾组成环网,在线缆任意位置断开后,总线依然可以通讯。
3.1 CAN总线配置
GCAN-226-N模块在使用前一般需要用户对CAN总线通信参数进行配置或委托我公司出厂配置。
3.2通过拨码开关配置CAN总线波特率
当用户第一次使用GCAN-226-N模块时,可先打开设备外壳,直接使用设备内部的拨码开关调整对应CAN总线的波特率。拨码开关如图3.1所示。

图3.1拨码开关
拨码开关设置波特率方法:系统先不要上电,用螺丝刀撬动绿色外壳,拿掉外壳主体,找到设备中如上图所示的拨码开关,拨码开关的“1、2、3、4”号可以对CAN1波特率进行配置,“5、6、7、8”号可以对CAN2波特率进行配置。具体配置方法以CAN1为例,详见表3.1。ON方向为1,数字方向为0。

表3.1 GCAN-226-N系列模块波特率配置图示
拨码开关配置完成后,关闭设备外壳上电即可正常使用。
3.3与CAN总线连接
GCAN-226-N系列模块接入CAN总线连接方式为将CAN_H连CAN_H,CAN_L连CAN_L即可建立通信。
CAN总线网络采用直线拓扑结构,总线最远的2个终端需要安装120Ω的终端电阻;如果节点数目大于2,中间节点不需要安装120Ω的终端电阻。对于分支连接,其长度不应超过3米。CAN总线的连接见图3.2所示。

图3.2 CAN总线网络的拓扑结构
请注意:CAN总线电缆可以使用普通双绞线、屏蔽双绞线。理论最大通信距离主要取决于总线波特率,最大总线长度和波特率关系详见表3.2。若通讯距离超过1Km,应保证线的截面积大于Φ1.0mm2,具体规格应根据距离而定,常规是随距离的加长而适当加大。

表3.2波特率与最大总线长度参照表
3.4 GCAN-226-N系统终端电阻
为提升CAN总线通信的可靠性并消除终端信号反射干扰,CAN总线网络通常需在最远的两个端点配置终端匹配电阻。终端匹配电阻的阻值需与传输电缆的特性阻抗相匹配,例如双绞线的特性阻抗为120Ω时,总线上的两个端点即应配置120Ω的终端电阻。
在GCAN-226-N CAN总线环网控制器系统中,GCAN-226-N模块本身即作为"CAN总线网络最远的两个端点"。因此,该系统仅需在GCAN-226-N模块接入CAN总线的两个端点处配置终端电阻即可。
图3.3 GCAN-226-N模块与其他CAN节点设备连接
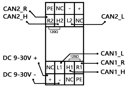
注意:GCAN-226-N内部已集成120Ω终端电阻,可通过自己接线是否将电阻接入总线,R1、R2分别对应为CAN1、CAN2的终端电阻,H1连线R1即可启用CAN1端终端电阻,H2连线R2即可启用CAN2端终端电阻。接线如图所示:
图3.3 GCAN-226-N终端电阻接线图
3.5系统状态指示灯
GCAN-226-N系列模块具有1个PWR指示灯用来情况,1个SYS指示灯用来指示系统供电和系统的运行状态,2个CAN指示灯用来指示对应CAN总线通信状态。这3个指示灯的具体指示功能见表3.3,这3个指示灯处于各种状态的含义如表3.4所示。

表3.3 GCAN-226-N系列模块指示灯

表3.4 GCAN-226-N系列模块指示灯状态
● GCAN-226-N模块上电后,SYS指示灯立即点亮,表明设备已经供电,待机状态;否则,表示系统存在电源故障或发生有严重的错误。;
● 对应CAN线均连接正常后,当有数据在CAN总线传输时,CAN灯随数据频率闪烁,无数据时熄灭;
● 同数据频率下,拨码开关配置CAN灯相对快闪近乎常亮,软件配置CAN灯相对慢闪;
● 如果CAN总线出现通讯错误,对应CAN灯将变红。
4.技术规格